Max Conine

Welcome to my website!

Hi! I'm Max Conine. I'm an Engineering Major at Harvey Mudd College.

I'm from Boston MA. I love playing guitar, biking, building things, outdoor activities like climbing and skiing, and peanut butter and jelly sandwiches.

Below are some projects I've worked on or am currently working on. Click each image to find out more

Portrait of Max Conine

My Projects

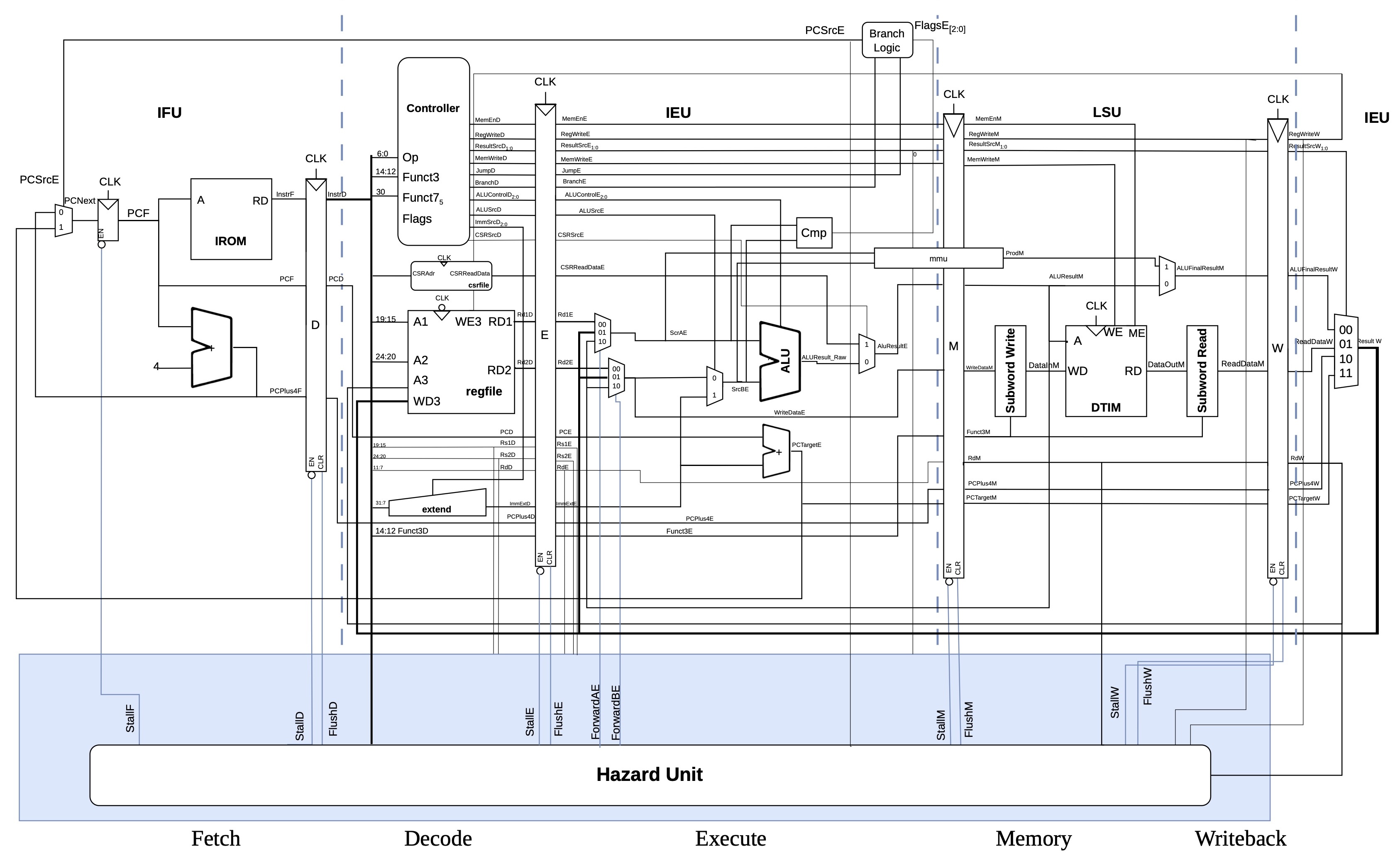
RISC-V pipeline diagram

System on Chip RISC-V Processor

For my System on Chip course, I designed and implemented a pipelined RISC-V processor in SystemVerilog, optimized for both speed and area efficiency. The processor features a classic five-stage pipeline — Fetch, Decode, Execute, Memory, and Writeback — complete with a hazard unit, data forwarding logic, and branch prediction to keep the pipeline moving. The challenge was a competitive CoreMark benchmark: maximize performance while minimizing silicon area. Balancing those two objectives forced careful decisions at every level of the design, from implementing a 3 stage multiply unit to optimizing branch prediction along with deciding compiler flags and hazard logic. My team achieved the best performance processor in the class of 14 students

Check out the project on GitHub: SOC_Final_Proj

FSAE chassis

Harvey Mudd Racing FSAE Team

As the elected Technical Lead, I oversee all technical aspects of the car — but what I love most is being in the thick of the build. From designing complex parts in SolidWorks and running simulations, to physically fabricating the chassis and TIG welding it together, I'm involved at every step. This project has been an incredible way to learn: there's nothing quite like the challenge of making sure every system talks to the next when you're the one building them. It's been a privilege to help bring Mudd's first ever FSAE car to life. Below are some images of the chassis fabrication in progress. Check out our website harveymuddracing.com to learn more about the team and our progress.

Exploravist

Exploravist

Last summer I worked here full-time as an Embedded Software Engineer, writing C code in ESP-IDF to run on the ESP32 inside the ExploraVist headset. The core feature I worked on lets users press a button and hear a description of what they're looking at — a small interaction with a lot of engineering underneath it. I designed the state machine that controls the device's behavior as well as designing the low latency response over cloud. I contributed to both speech to text and text to speech development on the device. The website to ExploraVist is linked down below.

exploravist.net

A video of the ExploraVist product demo

FIRST Robotics

FIRST Robotics 8013

In high school, I was fascinated by FIRST robotics. During the build season I would spend 30+ hour weeks working on the robot. I was one of the founding members of our team along with two of my friends. We went from knowing nothing at all and being complete beginners in 2020, to 4 years later winning the New England Championships. It's amazing how much I learned from this program and how far hard work can get you. Below I've included pictures from the robots we built from each year and a few pictures of an offseason swerve robot I spent one summer working on. You can see how our robots evolve over time. I currently serve as a mentor and enjoy helping the next generation of students learn and grow through robotics.

A video of the 4 note autonomous routine I developed:

A video of our engame sequence called shooting the trap which we could do very quickly

Drift Trike

Backwards Bike

For a Makerspace grant project, I built a bike that steers backwards — turn right to steer left, turn left to steer right. I cut apart a bike headstock and welded it onto another with a gear in the middle to reverse the steering. I call it the "anti-theft bike," and it lives up to the name: I once watched someone try to steal it and give up in about five seconds. The best part is letting people attempt to ride it and watching the moment they realize it's nothing like it looks. I ride it around campus. Below are some pictures of the bike.

Drift Trike

Motorized Drift Trike

Inspired by Colin Furze, I built a gas-powered drift trike at 15 — MIG welded steel frame, dirt bike engine, and cut PVC pipe for wheels. It could hit over 40 mph, which made for a few thrilling rides before my parents decided it was too dangerous to keep riding. It now hangs on the wall in our shop like a trophy. Building it was my introduction to metalworking, and since then I've gone on to run lathes, chop saws, table saws, and all manner of hand tools through countless woodworking and metalworking projects.

This is a video of me drifting around on the drift trike I made

Logic Board

Logic Gate Demo Board

In my Intro to Engineering Design and Manufacturing class, my team designed and built a logic gate demo board for our final project. This board is used to assist in teaching the Digital Electronics & Computer Architecture class at Harvey Mudd. We learned how to use integrated circuits and make a timer circuit when making this board. I really enjoyed doing the wiring for the electrical part of the board.

Here is a video of me demonstrating the board

Stick Guitar

Guitar Making

I came up with the idea to build a guitar using resin and a bunch of sticks. I call it the Stick Guitar. It's a functional telecaster style guitar with the body made out of chopepd up sticks. It looks very cool and even plays well. I cut the body and neck on a ShopBot 3-axis CNC milling machine.

I designed this bass guitar in Fusion 360 and then cut it on a ShopBot CNC milling machine with help from my dad. The other components on the bass are from StewMac. I played this bass in my high school's jazz ensemble for 2 years, and it worked great! My sister pained a bass fish on the front so I named it the Bass Bass guitar

FPV Drone

FPV Drone Hobby

One of my hobbies is building FPV drones for racing and cinematic purposes. I learned how to build them through YouTube videos and reading online documentation. Through building numerous drones, I've learned how they work and how to tune flight controllers and set each drone up. It was also a challenge to learn how to fly them. I have some videos of myself flying them around on my YouTube channel

Bike Scooter

Bike Scooter

This is a project I call a Bike Scooter. It's made by cutting apart an old bicycle and welding a custom scooter deck on. I designed and fabricated it. I went through two iterations as shown in these photos.

Go Kart Conversion

Go Kart Conversion

During my High School senior spring I converted a motorized go kart into an electric kart with a group of friends. This was a fun project because at the end of it we got to drive it around the Boston alley. We were also featured in our school's newspaper as our project was quite unique

Puzzle Club Table

Puzzle Club Table

I made a height‑adjustable table for the Puzzle Club at my high school.

Contact Me

Email: mconine @(nospammers) hmc.edu

LinkedIn: linkedin.com/in/max-conine-1924a2298

GitHub: github.com/maxconine

YouTube: youtube.com/@maxconine7127